電壓互感器電網系統中普通有四種接線辦法,電壓互感器接線接地、相位等必需按嚴厲的接法,并且電壓互感器二次側制止短路。
1)Vv接線辦法:普遍用于中性點絕緣
體系或經消弧線圈接地的35KV及以下的高壓三相體系,特別是10KV三相體系,接線來源于三角形接線,只是“口”沒閉住,稱為Vv接,此接線辦法能夠儉省一臺電壓互感器,可滿足三相有功、無功電能計量的請求,但不能用于丈量相電壓,不能接入監視體系絕緣情況的電壓表。
電壓互感器V/V接法
V/V接法原理圖
V/V接法3D表示圖
(2)Y,yn接線辦法:主要采用三鐵芯柱三相電壓互感器,多用于小電流接地的高壓三相體系,二次側中性接線引出接地,此接線為了防止高壓側單相接地毛病,高壓側中性點不允許接地,故不能丈量對地電壓。
電壓互感器Y/Y接法
Y/Y接法原理圖
Y/Y接法3D表示圖
(3)YN,yn接線辦法:多用于大電流接地體系。
(4)YN,yn,do接線辦法:也稱為啟齒三角接線,在正常運轉狀態下,啟齒三角的輸出端上的電壓均為零,假設體系產生一相接地時,其他兩個輸出端的出口電壓為每相剩下電壓繞組二次電壓的3倍,這樣便于交流絕緣監視電壓繼電器的電壓整定,但此接線辦法在10KV及以下的體系中不采用。
一、一個單相電壓互感器接線辦法
一個單相電壓互感器接線辦法
一個單相電壓互感器的接線,用于對稱的三相電路,二次側可接表面和繼電器。
二、兩個單相電壓互感器互V/V型的接線辦法
兩個單相電壓互感器V/V型的接線辦法
兩個單相電壓互感器的V/V形接線,可丈量線電壓,但不能測相電壓,它普遍應用在20kV以下中性點不接地或經消弧線圖接地的電網中。
三、三個單相電壓互感器Y0/Y0型的接線辦法
三個單相電壓互感器Y0/Y0型的接線辦法
可供給請求丈量線電壓的表面和繼電器,以及請求供給相電壓的絕緣督查電壓表。
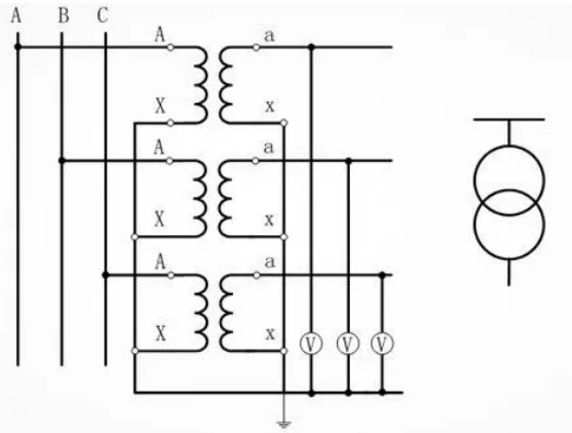
四、三個單相三繞組電壓互感器或一個三相五柱式三繞組電壓互感器接成Y0/Y0/Δ型
三個單相三繞組電壓互感器或一個三相五柱式三繞組電壓互感器接成Y0/Y0/Δ型
接成Y0形的二次線圈供電給表面、繼電器及絕緣督查電壓表等。輔助二次線圈接成啟齒三角形,供電給絕緣督查電壓繼電器。當三相體系正常作業時,三相電壓均衡,啟齒三角形兩頭電壓為零。當某一相接地時,啟齒三角形兩頭呈現零序電壓,使絕緣督查電壓繼電器動作,發出信號。用于3~220kV體系(110kV及以上無高壓熔斷器),供接入交流電網絕緣監視表面和繼電器用。
電壓互感器端子標明
1普通規則
本電壓互感器端子標明適用于單相電壓互感器,也適用于單互相感器裝配為一臺整體的三相接線的互感器或具有三相共用死心的三相電壓互感器。
2標志內容
電壓互感器端子標明應依照下節圖示選取恰當的標志。
電壓互感器端子標明大寫字母A、B、C和N標明一次繞組端子,而小寫字母a、b、c和n則標明相應的二次繞組端子。
電壓互感器端子標明大寫字母A、B和C標明全絕緣端子,而字母N則標明接地端子,其絕緣性能比其他端子低。
電壓互感器端子標明復合字母da和dn標明供應剩下電壓的繞組端子。
2標志內容
電壓互感器端子標明中標有同一字母大寫或小寫的端子,在同一霎時具有同一極性。



A、B、C、N為一次繞組端子;1a、1b、1c、1n、2a、2b、2c、2n為二次繞組端子。


